
Current Position:home
MS101-1/01-2
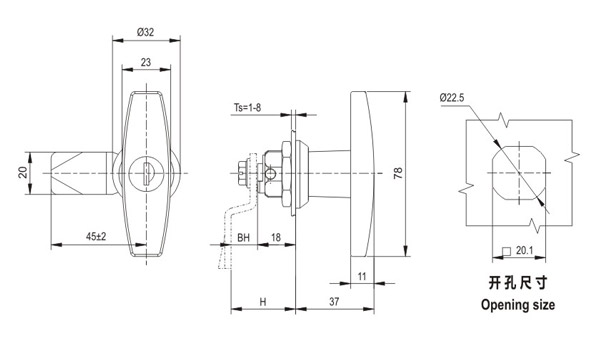
| Material | zinc alloy housing 、handle and cylinder,steel cam and nut and cam. |
| Finish | black coated or bright chrome plated .zinc plated parts |
| Structure | swing 90°the handle to open or lock |

prve:
"MS109"
next:
No Products
Related Products:











