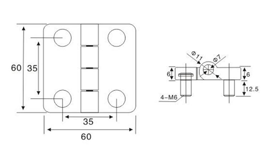
CL218-60B
材料:304不锈钢
表面处理:原色
结构说明:180°开启或锁闭

相关产品:
主站蜘蛛池模板:
金平|
西乌珠穆沁旗|
山东省|
庆城县|
深泽县|
绥阳县|
灌南县|
定兴县|
游戏|
武隆县|
霍林郭勒市|
嘉定区|
广州市|
衢州市|
滨海县|
文昌市|
桂林市|
盐源县|
峨山|
阿瓦提县|
西藏|
闽侯县|
二连浩特市|
旌德县|
崇左市|
龙江县|
都兰县|
奉贤区|
大安市|
乾安县|
明溪县|
迭部县|
无极县|
民权县|
广丰县|
崇仁县|
南宁市|
迁西县|
广平县|
宜州市|
邵武市|